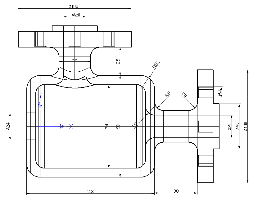
Alkatrész:
A bal oldalsó vetületek alapján szerkesszük meg a 3D ábrát! A cső
belül üreges, át lehet nézni rajta.
Konzol:
Nehéz. 3 téglatest az alapja. A legalsót letöréssel, a fölsőket
lekerekítéssel hozzuk létre. Alul egy nagy, fölül két kicsi hengert
vonjunk ki az egyesített testből! A merevítő borda készülhet ék
megrajzolásával vagy egy letört téglalapként is. A méretezések
kerüljenek a megfelelő szintekre!
Fogantyú:
Nehéz. Először rajzoljuk meg a kihúzás profilját, majd a fogantyú
görbéjét. Húzzuk ki a profilt a görbe mentén! Vonjuk ki a csavarok
helyeit.
Profil
Profil
Hajtókar fogója:
Könnyű. Egy zárt vonalláncot kell megforgatni, vagy sima vonalakat
lappá alakítani, és úgy megforgatni.
Hajtókar:
Közepes. A teljes hajtókar elkészíthető kihúzással! Figyeljünk a
lekerekítésekre! A szögletes megjelenítés elkerüléséhez állítsuk a
FACETRES változót magasabbra (pl. 2.0)
Kerék:
Nem olyan nehéz mint amilyennek kinéz. A profil megrajzolása után
forgatással kapjuk a kereket. A kiosztott hengerek kivonásával pedig
a lyukakat az oldalán. (
2D profil
)
Gumidugós tengelykapcsoló:
Nehéz. 2 db tárcsa egymással szembe fordítva 3 mm távolságra
egymástól. Közöttük 3 db csap (cián az ábrán) melyek 3 mm-es kiugró
része illeszkedik a tárcsák közé. A csapokon egy-egy gumigyűrű
(piros).
Csap és a gumidugó
Tárcsa
Csap és a gumidugó
Tárcsa
Lengéscsillapító rugó:
Vigyázat: 3D spline mentén nem lehet kihúzni, ill. ívet is csak az
XY síkra tudunk rajzolni. Viszont a koordinátarendszer 5 fokos
elforgatásával és 50 sugarú, 180 fokos ív rajzolásával már nem is
olyan nehéz mint amilyennek első pillantásra tűnik.
Menetes anyacsavar:
A lengéscsillapitónál alkalmazott modszerrel konstruáljunk egy
spirális pályát majd húzzunk ki egy háromszöget ezen útvonal mentén.
Az így kapott objektumot vonjuk ki az anyacsavarból.
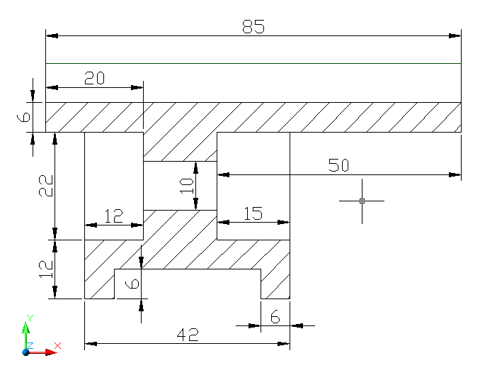
Alkatrész:
Nehéz: A két tárcsa formájú rész teljesen azonos, csupán a
tartálytól való távolságuk különbözik.
Vetület
,
másik nézetek
.
English










